Mit PV*SOL planen Sie effizient die Solarsysteme der Zukunft
Erhalten Sie Ihren PV*SOL-Report innerhalb von 24 Stunden – inklusive hochwertiger 3D-Modellierung und einem realistischen, detaillierten Bericht, bei dem alle relevanten Aspekte berücksichtigt werden. Wir optimieren Ihre Anlage für maximalen Ertrag und vollständige Norm- und Richtlinienkonformität. Zusätzlich unterstützen wir Sie bei der Erstellung von Single-Line-Diagrammen (SLD) sowie bei der vollständigen Durchführung Ihrer Netzanfrage.
Über AZ-solar24
Ihr zuverlässiger Partner für nachhaltige Solarenergielösungen und technische Anlagenauslegung.
Wir unterstützen Sie umfassend – von der präzisen Planung über die fortgeschrittene technische Ausarbeitung bis hin zu optimierter Dokumentation und Berichterstellung. Unsere Lösungen sind nicht nur umweltfreundlich, sondern reduzieren auch langfristig Ihre Kosten in der Planungsphase und steigern die Effizienz Ihrer Unternehmensprozesse.
Gemeinsam entwickeln wir eine zukunftssichere und nachhaltige Energiestrategie, die exakt auf die Bedürfnisse Ihres Unternehmens zugeschnitten ist.












Professionelle Erstellung präziser PV*Sol-Simulationen, 3D-Modelle und ausführlicher Ertragsberichte – optimiert für fundierte Projektentscheidungen und hohe Planungsgenauigkeit.
PVsol Planung und Bericht
Wir bieten maßgeschneiderte Solarlösungen.
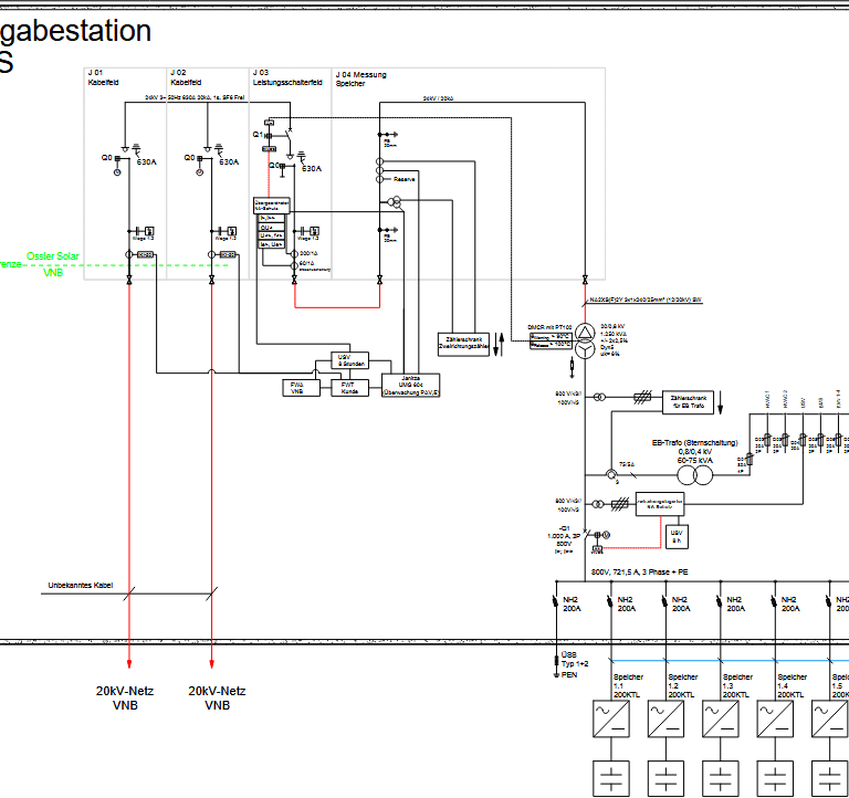
Mit unseren AutoCAD-Plänen erhalten Sie alle benötigten technischen Unterlagen: Kabelschemata, Montagepläne, Brandschutzkonzepte und genehmigungsfähige Zeichnungen. Präzise, normgerecht und optimal vorbereitet für Ihre nächste Projektphase.
Technische Planungssicherheit
Netzanfragen & Netzanschlussservice
Wir übernehmen die vollständige Vorbereitung und Einreichung Ihrer Netzanfrage – inklusive aller Formulare, technischer Nachweise und Abstimmungen mit dem Netzbetreiber. So gewährleisten wir einen schnellen, reibungslosen und rechtssicheren Netzanschluss.
Dienstleistungen
Unglaublich schneller und sehr sorgfältiger Service! Wir arbeiten jetzt seit über einem Jahr mit AZsolar zusammen, und sie haben unsere Erwartungen bisher immer erfüllt
Theo S.
★★★★★
